| 選擇 | 詢價 | 型號 | 尺寸(mm) | 基本額定載荷(KN) | Pu | 轉速(rpm) | 重量(Kg) | ISO335? | 尺寸(mm) | 安裝尺寸(mm) | 參數 |
|---|
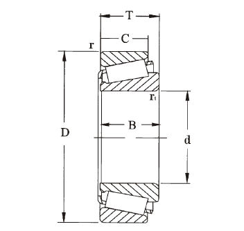
| d1 | D | B | Cr | Cor | 轉速等級 | 極限轉速 | 尺寸 (ABMA) | d | d1 | B | C | r1,2(min) | r3,4(min) | a | da(max) | db(min) | Da(min) | Da(max) | Db(min) | Ca(min) | Cb(min) | ra(max) | rb(max) | e | Y | Yo |
|
|
32303J2/Q |
17 |
47 |
20,25 |
40 |
33,5 |
3,65 |
12000 |
16000 |
0,17 |
2FD |
17 |
30,7 |
19 |
16 |
1 |
1 |
12 |
24 |
23 |
39 |
41 |
43 |
3 |
4 |
1 |
1 |
0,28 |
2,1 |
1,1 |
|
|
32304J2/Q |
20 |
52 |
22,25 |
51 |
45,5 |
5 |
12000 |
14000 |
0,23 |
2FD |
20 |
34,5 |
21 |
18 |
1,5 |
1,5 |
14 |
27 |
27 |
43 |
45 |
47 |
3 |
4 |
1,5 |
1,5 |
0,3 |
2 |
1,1 |
|
|
32324J2 |
120 |
260 |
90,5 |
792 |
1120 |
110 |
1800 |
2600 |
21,5 |
2GD |
120 |
181 |
86 |
69 |
4 |
3 |
60 |
148 |
135 |
213 |
245 |
239 |
9 |
21,5 |
3 |
2,5 |
0,35 |
1,7 |
0,9 |
|
|
32322 |
110 |
240 |
84,5 |
627 |
830 |
86,5 |
1900 |
2800 |
17,0 |
2GD |
110 |
168 |
80 |
65 |
4 |
3 |
55 |
137 |
125 |
198 |
226 |
222 |
9 |
19,5 |
3 |
2,5 |
0,35 |
1,7 |
0,9 |
|
|
32321J2 |
105 |
225 |
81,5 |
605 |
815 |
85 |
2000 |
3000 |
14,5 |
2GD |
105 |
158 |
77 |
63 |
4 |
3 |
53 |
129 |
120 |
185 |
211 |
209 |
9 |
18,5 |
3 |
2,5 |
0,35 |
1,7 |
0,9 |
|
|
32320J2 |
100 |
215 |
77,5 |
572 |
780 |
83 |
2200 |
3000 |
12,5 |
2GD |
100 |
151 |
73 |
60 |
4 |
3 |
51 |
123 |
115 |
177 |
201 |
200 |
8 |
17,5 |
3 |
2,5 |
0,35 |
1,7 |
0,9 |
|
|
32319J2 |
95 |
200 |
71,5 |
501 |
670 |
72 |
2400 |
3400 |
11,0 |
2GD |
95 |
141 |
67 |
55 |
4 |
3 |
47 |
115 |
110 |
166 |
186 |
186 |
8 |
16,5 |
3 |
2,5 |
0,35 |
1,7 |
0,9 |
|
|
32318J2 |
90 |
190 |
67,5 |
457 |
610 |
67 |
2600 |
4000 |
8,40 |
2GD |
90 |
133 |
64 |
53 |
4 |
3 |
44 |
109 |
105 |
157 |
176 |
177 |
7 |
14,5 |
3 |
2,5 |
0,35 |
1,7 |
0,9 |
|
|
32317BJ2 |
85 |
180 |
63,5 |
391 |
560 |
62 |
2800 |
4000 |
7,50 |
5GD |
85 |
135 |
60 |
49 |
4 |
3 |
52 |
102 |
99 |
138 |
166 |
169 |
7 |
14,5 |
3 |
2,5 |
0,54 |
1,1 |
0,6 |
|
|
32317J2 |
85 |
180 |
63,5 |
402 |
530 |
60 |
2800 |
4000 |
6,85 |
2GD |
85 |
126 |
60 |
49 |
4 |
3 |
42 |
103 |
99 |
150 |
166 |
167 |
7 |
14,5 |
3 |
2,5 |
0,35 |
1,7 |
0,9 |
|
|
32316J2 |
80 |
170 |
61,5 |
380 |
500 |
57 |
3000 |
4300 |
6,20 |
2GD |
80 |
120 |
58 |
48 |
3 |
2,5 |
41 |
98 |
92 |
142 |
158 |
159 |
7 |
13,5 |
2,5 |
2 |
0,35 |
1,7 |
0,9 |
|
|
32315BJ2/QCL7C |
75 |
160 |
58 |
380 |
475 |
55 |
3200 |
4000 |
5,55 |
5GD |
75 |
120 |
55 |
45 |
3 |
2,5 |
46 |
90 |
87 |
124 |
148 |
151 |
7 |
13 |
2,5 |
2 |
0,54 |
1,1 |
0,6 |
|
|
32315J2 |
75 |
160 |
58 |
336 |
440 |
51 |
3000 |
4300 |
5,20 |
2GD |
75 |
113 |
55 |
45 |
3 |
2,5 |
38 |
92 |
87 |
133 |
148 |
149 |
7 |
13 |
2,5 |
2 |
0,35 |
1,7 |
0,9 |
|
|
32314BJ2/QCL7C |
70 |
150 |
54 |
325 |
400 |
46,5 |
3400 |
4300 |
4,25 |
5GD |
70 |
113 |
51 |
42 |
3 |
2,5 |
44 |
85 |
82 |
115 |
138 |
141 |
7 |
12 |
2,5 |
2 |
0,54 |
1,1 |
0,6 |
|
|
32314J2/Q |
70 |
150 |
54 |
297 |
380 |
45 |
3200 |
4500 |
4,30 |
2GD |
70 |
106 |
51 |
42 |
3 |
2,5 |
36 |
86 |
82 |
125 |
138 |
140 |
6 |
12 |
2,5 |
2 |
0,35 |
1,7 |
0,9 |
|
|
32313BJ2/QU4CL7CVQ267 |
65 |
140 |
51 |
285 |
345 |
40,5 |
3600 |
4800 |
3,35 |
5GD |
65 |
105 |
48 |
39 |
3 |
2,5 |
41 |
79 |
77 |
107 |
128 |
131 |
6 |
12 |
2,5 |
2 |
0,54 |
1,1 |
0,6 |
|
|
32313J2/Q |
65 |
140 |
51 |
264 |
335 |
40 |
3400 |
4800 |
3,45 |
2GD |
65 |
99,2 |
48 |
39 |
3 |
2,5 |
33 |
80 |
77 |
117 |
128 |
130 |
6 |
12 |
2,5 |
2 |
0,35 |
1,7 |
0,9 |
|
|
32312BJ2/QCL7C |
60 |
130 |
48,5 |
255 |
305 |
35,5 |
3800 |
5000 |
2,80 |
5FD |
60 |
98,1 |
46 |
37 |
3 |
2,5 |
38 |
73 |
72 |
99 |
118 |
122 |
6 |
11,5 |
2,5 |
2 |
0,54 |
1,1 |
0,6 |
|
|
32312J2/Q |
60 |
130 |
48,5 |
229 |
290 |
34 |
3600 |
5300 |
2,85 |
2FD |
60 |
91,7 |
46 |
37 |
3 |
2,5 |
31 |
74 |
72 |
107 |
118 |
120 |
6 |
11,5 |
2,5 |
2 |
0,35 |
1,7 |
0,9 |
|
|
32311BJ2/QCL7C |
55 |
120 |
45,5 |
216 |
260 |
30 |
4300 |
5600 |
2,50 |
5FD |
55 |
90,5 |
43 |
35 |
2,5 |
2 |
36 |
67 |
65 |
91 |
112 |
112 |
5 |
10,5 |
2 |
2 |
0,54 |
1,1 |
0,6 |
|
|
32311J2 |
55 |
120 |
45,5 |
198 |
250 |
28,5 |
4000 |
5600 |
2,30 |
2FD |
55 |
84,6 |
43 |
35 |
2,5 |
2 |
29 |
68 |
65 |
99 |
112 |
111 |
5 |
10,5 |
2 |
2 |
0,35 |
1,7 |
0,9 |
|
|
32310BJ2/QCL7C |
50 |
110 |
42,25 |
183 |
216 |
24,5 |
4500 |
6000 |
1,85 |
5FD |
50 |
82,9 |
40 |
33 |
2,5 |
2 |
34 |
62 |
60 |
83 |
100 |
103 |
5 |
9 |
2 |
2 |
0,54 |
1,1 |
0,6 |
|
|
32310TN9 |
50 |
110 |
42,25 |
172 |
212 |
24 |
4300 |
6300 |
1,80 |
2FD |
50 |
77,7 |
40 |
33 |
2,5 |
2 |
27 |
63 |
60 |
90 |
100 |
102 |
5 |
9 |
2 |
2 |
0,35 |
1,7 |
0,9 |
|
|
32310J2/Q |
50 |
110 |
42,25 |
172 |
212 |
24 |
4300 |
6300 |
1,80 |
2FD |
50 |
77,7 |
40 |
33 |
2,5 |
2 |
27 |
63 |
60 |
90 |
100 |
102 |
5 |
9 |
2 |
2 |
0,35 |
1,7 |
0,9 |
|
|
32309BJ2/QCL7C |
45 |
100 |
38,25 |
156 |
176 |
20 |
5000 |
6700 |
1,45 |
5FD |
45 |
74,8 |
36 |
30 |
2 |
1,5 |
30 |
55 |
53 |
76 |
91 |
94 |
5 |
8 |
2 |
1,5 |
0,54 |
1,1 |
0,6 |
|
|
32309J2/Q |
45 |
100 |
38,25 |
140 |
170 |
20,4 |
4800 |
7000 |
1,35 |
2FD |
45 |
70,4 |
36 |
30 |
2 |
1,5 |
25 |
57 |
53 |
82 |
91 |
93 |
4 |
8 |
2 |
1,5 |
0,35 |
1,7 |
0,9 |
|
|
32308J2/Q |
40 |
90 |
35,25 |
117 |
140 |
16 |
5300 |
8000 |
1,00 |
2FD |
40 |
62,9 |
33 |
27 |
2 |
1,5 |
23 |
51 |
49 |
73 |
81 |
82 |
3 |
8 |
2 |
1,5 |
0,35 |
1,7 |
0,9 |
|
|
32307/37BJ2/Q |
37 |
80 |
32,75 |
93,5 |
114 |
13,2 |
6300 |
8500 |
0,85 |
- |
37 |
54,8 |
31 |
25 |
2 |
1,5 |
20 |
44 |
44 |
66 |
71 |
74 |
4 |
7,5 |
2 |
1,5 |
0,54 |
1,1 |
0,6 |
|
|
32307BJ2/Q |
35 |
80 |
32,75 |
93,5 |
114 |
13,2 |
6300 |
8500 |
0,80 |
5FE |
35 |
59,3 |
31 |
25 |
2 |
1,5 |
24 |
42 |
44 |
61 |
71 |
76 |
4 |
7,5 |
2 |
1,5 |
0,54 |
1,1 |
0,6 |
|
|
32307J2/Q |
35 |
80 |
32,75 |
95,2 |
106 |
12,2 |
6700 |
9000 |
0,73 |
2FE |
35 |
54,8 |
31 |
25 |
2 |
1,5 |
20 |
44 |
44 |
66 |
71 |
74 |
4 |
7,5 |
2 |
1,5 |
0,31 |
1,9 |
1,1 |
|
|